
Cassification
更新時間:2025-05-08
瀏覽次數:208
安科瑞分布式光伏解決方案
安科瑞分布式光伏解決方案主要包括 Acrel-1000DP 分布式光伏監控系統和 AcrelEMS 3.0 智慧能源管理平臺。
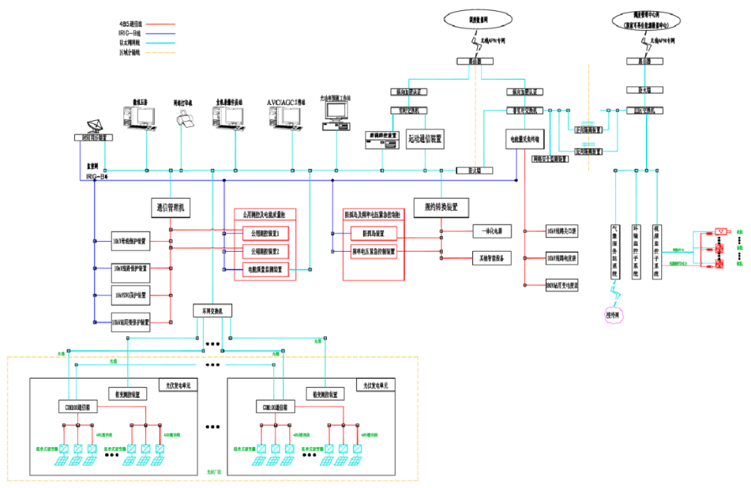
Acrel-1000DP 分布式光伏監控系統
Acrel-1000DP分布式光伏解決方案按照各地電網部門并網要求,集成實時監控、智能預測、數據安全、可調可控、上傳調度,滿足各地并網要求,幫助客戶準確并網,提前鎖定投資收益。
>安全防護體系:
+具備防孤島保護功能,支持多電壓等級,能快速切斷并網,動作時間≤2 秒,杜絕電網檢修風險;
+通過APView500系列電能質量在線監測裝置實時分析諧波、電壓波動,確保并網電能符合國標;
+通過ARTM電氣接點無線測溫方案,實時監控電氣接點溫度,預防過熱事故。
>智能調控能力:
+融合氣象數據與歷史發電曲線,實現光功率預測,助力電網調度優化;
+擁有防逆流控制功能,采用柔性調節 +逆流速斷雙模式,實現防逆流目的。
+具備 AGC/AVC 系統,可無縫響應電網調頻調峰指令。
>標準化并網:
嚴格遵循20多項國標及地方規范,配置調度自動化接口,支持IEC60870-5-104等通信協議,滿足多地電網數據上傳要求。
>場景化解決方案:
+工業園區:支持光纖主從聯動,解決復雜配電房遠距離監控難題;實時統計發電量、自用比例,聯動儲能系統實現峰谷套利。
+交通基礎設施:適用于高速公路服務區0.4kV/10kV混合并網,采用遠程集控 + 無人值守模式,適配規模化部署;通過分布式防逆流技術,動態調節光伏出力,避免服務區低負載時余電倒送。
+高耗能企業:為鋼廠/礦山等提供35kV并網防孤島保護,降低柴油備用成本;具備碳資產管理功能,自動生成發電減排報告,對接碳交易平臺。
AcrelEMS 3.0 智慧能源管理平臺
針對新政下的自發自用要求與現貨市場規則,安科瑞推出AcrelEMS3.0 智慧能源管理平臺,構建 “源網荷儲充一體化” 管理體系。

>數據采集與監控:
對光伏系統、儲能系統、充電樁系統等進行數據采集和實時監控,包括光伏電池板陣列、環境信息、儲能電池的充放電電壓、電流、SOC、溫度等參數,以及充電樁的充電電流、電壓、功率、時間等信息,并通過直觀的界面展示系統的運行狀態。
>能量管理與優化控制:
根據采集到的數據,系統制定并執行多種能量管理策略,如削峰填谷、需量控制、新能源消納等,通過控制儲能系統的充放電和充電樁的充電功率,優化能源利用,降低用電成本,同時緩解電網壓力。
>故障診斷與預警:
具備完善的故障診斷功能,實時監測系統各設備的運行狀態,及時發現并預警過壓、欠壓、過流、過熱、漏電等故障,保障系統的安全可靠運行,并記錄故障信息,方便運維人員進行故障排查和處理。
>計量與計費管理:
實現直流側和交流側的雙向計量功能,準確測量和記錄儲能系統的電能輸入和輸出,以及充電樁的充電電量,為能源管理和計費提供準確的數據支持,同時可根據不同的電價政策和用戶需求,靈活設置計費方式。
>遠程監控與運維:
支持通過網絡將系統數據上傳至云平臺,用戶可通過網頁或手機APP隨時隨地查看系統的運行情況和相關數據,實現遠程監控與管理。此外,系統還具備遠程升級、維護等功能,提高運維效率。
安科瑞產品體系
